11,50 €*
Inhalt:
100
Produktnummer:
1919
Produktinformationen "100 Stück Alu Nutenstein, M8 Gewinde, Photovoltaik. Solarschiene. Klemme."
100 Stück: Alu Nutenstein, einschwenkbar, mit Edelstahl Federkugel, M8 Gewinde. Führungssteg.
Zur Befestigung Photovoltaik, Aluschiene
("Stückzahl 1" im Ebay Kauffeld bedeutet Set mit 100 x Nutenstein).
Anwendung:
Der Nutenstein wird in die Obernut von Aluprofilen eingeschwenkt. Beispielsweise für die Befestigung von Mittel- und Endklemmen für Photovoltaikmodule. Material des Nutenstein ist Aluminium. Die integrierte Edelstahl Federkugel gewährleistet einen sicheren und rutschfreien Sitz.
Der Nutenstein wird in die Obernut von Aluprofilen eingeschwenkt. Beispielsweise für die Befestigung von Mittel- und Endklemmen für Photovoltaikmodule. Material des Nutenstein ist Aluminium. Die integrierte Edelstahl Federkugel gewährleistet einen sicheren und rutschfreien Sitz.
Weiteres Material finden Sie in unserem Shop.
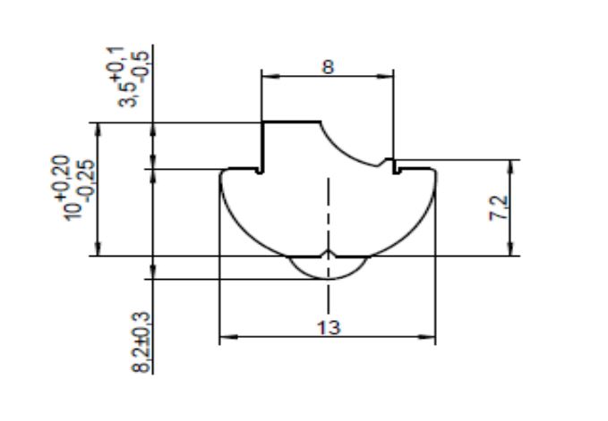
Spezifikation Set Nutenstein
Material
Aluminium T6
Federkugel Edelstahl
Abmessung
22 x 13 mm. Höhe 10 mm
Gewinde
M8
Kompatibilität
Für 8er Nutenkanal. Kompatibel mit unseren Profilen.
Sonstiges
Mit Edelstahl Federkugel
Anwendung
Photovoltaik
Montage Solaranlage.
Stahlbau.
| Schrauben: | Anbindung Modulklemmen an Profil |
|---|
GPSR - Herstellerangaben
"Europe-Solar"
Unternehmensname
A-E-S Europe GmbH
Adresse
Hansastrasse 68, 30952 Ronnenberg
Telefonnummer und E-Mail
Tel. 05069 480 3670, info@europe-solar.de
Sicherheitshinweis:
- Nur durch Fachpersonal installieren
Anmelden